SD-I 100×100
페이지 정보
분류 작성자 관리자
조회hit 14회
작성일 2026-03-06 10:29
본문
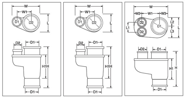
| 구분 | D1 | D2 | L | L1 | L2 | L3 | W | W1 | W2 | W3 | H | H1 | |
|---|---|---|---|---|---|---|---|---|---|---|---|---|---|
CRF SD-I |
100×50 | 114 | 60 | 150 | 250 | 130 | 285 | 145 | |||||
| SD-I | 100×100 | 114 | 114 | 165 | 290 | 146 | 335 | 200 | |||||
| SD-I | 100×75 | 114 | 89 | 157 | 270 | 140 | 330 | 220 | |||||
| SD-I | 100×50 | 114 | 60 | 155 | 245 | 117 | 335 | 200 | |||||
| SD-I | 75×50 | 898 | 60 | 138 | 210 | 104 | 260 | 130 | |||||
| SD-U | 100×50×50 | 114 | 60 | 165 | 73 | 73 | 83 | 223 | 101 | 43 | 74 | 335 | 200 |
